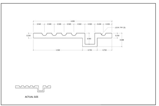
Collection: Elevator Sills

two speed hatch saddle
  • "Prompt on order requests, Friendly, Good working relationship with Jaxson, Timely shipments"
    testimonial author avatar
    Alice Germo
    Buyer
  • "Jaxson Steel has been nothing short of amazing. The quality of their sills have always been top notch. If I ever have a question, they are quick to answer and are always happy to help. We look forward to working with Jaxson Steel for many more years to come."
    testimonial author avatar
    Emily Loewen
    Purchasing
  • "Jaxson has been our go to sill supplier over the last year and they have been exceptional! Their product is of high quality and more importantly, always in stock. Jennifer, in their sales department, is excellent to work with. I highly recommend Jaxson Steel as a sill supplier. You won’t be disappointed!"
    testimonial author avatar
    Camilo Felipe
    Supply Chain Manager